Etna HYDROPAN4D-APS İkili Hidrofor/Dalgıç Panosu 380V-2x7,5 Kw
Etna HYDROPAN4D-APS İkili Hidrofor/Dalgıç Panosu 380V-2x7,5 Kw Trifaze (0,5-10 Hp)
İki pompalı yatay yada dikey trifaze hidroforlarının ve dalgıç pompaların koruma ve kontrolünü yapmak için tasarlanmıştır. 0,5 Hp den 10 Hp ye kadar tüm modeller için aynı pano kullanılmaktadır.
Panoda kullanılan tüm malzemeler CE belgesine sahiptir. Cihazla birlikte elektrik bağlantı şeması verilmektedir.Hydropan ikili kontrol paneli, 2 adet 7.5 kW pompaya kadar kontrol ve koruma sağlayabilen, pompanın çalışma durumları ile hata detaylarını ekranı üzerinden gösterebilen bir paneldir. 2x16 karakter LCD ekranı bulunmaktadır. Bunlara ilave olarak; özel geliştirilmiş kapsamlı yazılımı, durum bilgilendirme ledleri ve kontrol butonları ile kullanıcı dostudur.
Modbus RS-485 protokolü üzerinden uzaktan izleme ve kontrol sağlayabilen bir paneldir.
Sıralı veya gerçek çalışma zamanına bağlı süreli eş yaşlanma özelliği vardır, sirkülasyon modunda da bu özellik aktiftir.
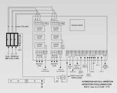
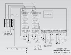
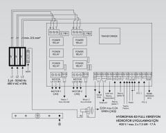
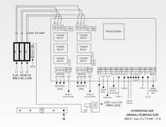
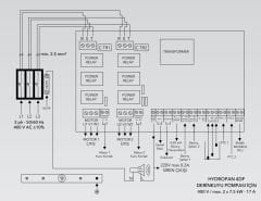
HYDROPAN İKİ POMPALI HİDROFOR YADA DALGIÇ İÇİN KORUMA VE KONTROL PANOSU
- Trifaze model için 400VAC / 50 - +%10 şebeke voltajı ile çalışma
- 8 bit mikroişlemci tabanlı tasarım
- 16 Mhz çalışma frekansı
- 2x16 karakter beyaz LCD display
- Ana çalışma ekranında güncel tarih & saat bilgisi
- 3 faz gerilim ölçümü ve ekranda görüntüleme
- Yüksek gerilim koruma ayarı
- Düşük gerilim koruma ayarı
- Pompa çalışma modu ve hata görüntüleme
- Çalışma sırasında pompa çalışma akımını görüntüleme
- Ayarlanabilir düşük & yüksek koruma süresi
- Ayarlanabilir düşük & yüksek koruma değerleri
- Hata resetleme özelliği
- Otomatik ve manuel çalışma modları
- Test butonları yardımıyla manuel çalışma
- Susuz çalışmaya karşı flatörlü koruma
- Ayarlanabilir düşük akım koruması ile susuz çalışmaya karşı ilave koruma
- Ekranda tüm hataları görüntüleme
- Sesli hata uyarısı
- Ekranda pompa çalışma süresi görüntüleme
- Sıralı çalışmaya bağlı eş yaşlanma
- Yetkisiz erişime karşı şifreleme
- 24 adede kadar oluşma tarih ve saat bilgisini de içeren hata geçmişi
- IP 55 izolasyon seviyesi
- Türkçe/ İngilizce dil seçeneği
- Üst versiyon olarak; genel arıza, selenoid röle çıkışı ve her pompa için çalışıyor kuru kontağı
PANO ÖZELLİKLERİ :
Ürün Adı : Etna HYDROPAN4D-APS - IP65
Voltaj : 380 V
Kapasite : 0,5-10 Hp Aralığındaki tüm trifaze iki motorlu pompalar
Maks. Amper : 17 Amper
Pano Boyutları : 285 mm x 250 mm - Rekor dahil
Pano Derinliği : 92 mm
